-
Product and Solution
Product and SolutionSingle Point Wall Mounted DetectorRespiration Protection EquipmentSuppressed Air Pump
- Industries
- Service and Support
- FAQ
- Company
DT-02 series gas alarm detectors are designed with stable sensors and the most advanced industrial microprocessor modules. It can be widely used in metallurgy, petroleum, fire-fighting, electric power, industrial and mining, municipal and refineries, chemical plants and other places prone to gas leakage, providing long-term uninterrupted monitoring to ensure personal safety and factory safety. The detector can transmit the detected gas concentration signal into a variety of industrial standard signal output, and can be used in conjunction with a variety of alarm host controllers produced by our company.
| Technical Parameters | |
|---|---|
| Detection Principle | Electrochemical, NDIR Infrared, PID, Catalytic Combustion |
| IP Rating | IP66 |
| Mounting and mounting plate dimensions | |
| Transmission distance | 3000m (can be relayed) |
| Connection cable | 3-core shielded cable or 4-core shielded cable |
| Alarm range | Low alarm: 0-full scale adjustable High alarm: 0-full scale adjustable |
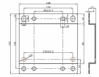
| Overall dimensions | 184 (L) × 164 (W) × 109 (H) mm; mounting hole distance 118; mounting hole Ф10 |
| Weight | <3.0kg |
| Shell material | Die-casting aluminium |
| Display mode | LED display and Sound and light alarm indication |
| Ambient pressure | 80kpa~106kpa |
| Ambient temperature | 0~95%RH (no condensation) |
| Ambient temperature | -40℃~+70℃ (limit value) |
| Explosion-proof marking | Exd IIC T6 Gb;ExtDA21 IP66 T80℃ |
| Sensor | Smart Sensor |
| Load impedance | 600Ω |
| Installation | 2" riser/wall mounting |
| Electrical Interface | M20X1.5 (inside) |
| Response Time (T90) | See attached table |
| Detection Accuracy | See attached table |
| Communication Protocol | MODBUS or other protocols |
| Output Signal | (4-20)mA (default), RS485 (optional) |
| Maximum Power | 60mA@24VDC |
| Power Supply | 24VDC |
| Sampling | Diffusion |
| Electrical connection Diagram | |
Send You Message Send You Message