DT-02 系列气体报警监测仪釆用性能稳定的传感器和最先进工业微处理模块设计而成。可广泛应用于冶金、石油、消防、电力、工矿、市政及各炼油厂、化工厂等易发生气体泄漏的场所。并对这些场所进行长期不间断监测,是保证人身安全及工厂安全的重要监测仪表。该探测器将危险范围内的毒性气体浓度信号转换成多种工业标准信号输出,并可与我公司生产的各种报警主机控制器配合使用。
| 技术参数 | |
|---|---|
| 传感器 | 智能传感器 |
| 检测原理 | 电化学、NDIR 红外、PID、催化燃烧 |
| 采样方式 | 扩散式 |
| 工作电源 | 24VDC |
| 最大功率 | 60mA@24VDC |
| 输出信号 | (4-20)mA(默认)、RS485(可选) |
| 通讯协议 | MODBUS 或其它规约 |
| 电气接口 | M20X1.5(内) |
| 安装方式 | 2" 立管/ 壁挂安装 |
| 负载阻抗 | 600Ω |
| 阪护等级 | IP66 |
| 防爆标志 | Exd IIC T6 Gb;ExtDA21 IP66 T80℃ |
| 环境温度 | 0~95%RH (无凝露) |
| 环境压力 | 80kpa~106kpa |
| 显示方式 | LED 显示及声光报警指示 |
| 壳体材料 | 压铸铝 |
| 重量 | <3.0kg |
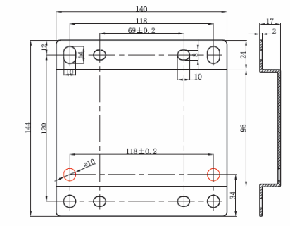
| 外形尺寸 | 184(长)×164(宽)×109(高)mm;安装孔距 118;安装孔Ф10 |
| 报警范国 | 一级报警:0- 满量程可调;二级报警:0- 满量程可调 |
| 连接电缆 | 3 芯屏蔽电缆或 4 芯屏蔽电缆 |
| 传输距离 | 3000m(可中继) |
| 环境温度 | -40℃~+70℃(极限值) |
| 安装及安装板尺寸 | |
| 电气连接图 | |
提交 提交